低压电工实操电路仿真练习
本文介绍了低压电工实操电路的仿真练习方法,通过手机电工仿真软件ESim进行电路模拟学习。文章包含电动机控制、正反转接线、电能表安装等常见实操电路图解,并详细说明了软件的学习模块使用方式,包括示教播放、导通路径查看等功能。最后提供了软件的多种下载渠道。作者分享了个人创业经历和学习理念,强调思维训练和工具应用的重要性,表达了对用户支持的感谢及软件发展愿景。
低压电工实操电路仿真练习
手机电工仿真软件增加低压电工实操电路仿真
引言(废话)
作者是一个穷人家出身的孩子,挨过饿走过弯路,但凡有人指点一下也不至于老年了还在创业奋斗!
作者有这样的经历,所以总想唤醒一些和作者有类似遭遇的朋友,但现实啪啪打脸啊,左边打肿了继续打右边的!自私自利、目光短浅、贪得无厌、不懂得感恩,这些标签被牢牢贴在了一类人的身上,或许这是天意吧!
有些事情,我们该不该做,其实有个简单的判断方式,那就是换位思考!比如你是单位领导,你招人会挑选什么样的?你是有钱人,你会帮助哪一类人?有人求助你,你在什么样的情况下会帮助他?所以,己所不欲勿施于人!如果被抖音洗脑了,说什么只感恩父母,那我无话可说!你永远是对的!
我们学习学的是什么?学的就是一些别人写好的规则,这些规则你根本不需要死记硬背,网络就是你的知识库。我们学习的过程就是思维训练的过程,学会观察、学会思考、学会搜索,这些才是最重要的!我们要不断接受新的信息,不断尝试新的工具,这样我们才会永远前进,永远领先别人一步!
现实总是很扎心,问题多的朋友是不会买会员的,买会员的朋友基本上不会提问,这是教育和认知的问题,这是观念问题,有些人愿意思考,努力自己去解决问题,所以他们是成功的!阶层的固化导致认知的差异,导致行为的偏离!劳心者治人,劳力者治于人,这是老祖宗的名言!
最后还是那句话,学会观察、学会思考、学会搜索!
本来我认为,什么低压电工实操电路?太简单了,自己照着原理图直接仿真练习就可以了,这些功能都是免费的,随便用,为什么非要作者画好呢?作者年龄大了,脾气也大了,固执的很!世界上还是好人多啊,他们给作者耐心的讲道理摆事实,作者终于明白了,作者感谢他们,感谢哪些提建议,找BUG的朋友!感谢那些帮助过作者的朋友!感谢ESim电工仿真的会员们!作者立志做大做强ESim电工仿真,争取做到世界一流,我要利用ESim电工仿真这个平台把我们的国产设备推广到全世界,让老外也融入到我们的国产体系!如果有一天,ESim电工仿真强大了,真的成为世界一流的仿真软件,我要找到我的每一位会员,每一位提过建议,每一位帮助过作者的朋友,当面送上感谢,我们共聚一堂,把酒言欢,不醉不散!
事情不做不要紧,吹牛一定要大胆!望见谅!
低压电工实操电路
低压电工实操电路的内容介绍
低压电工实操电路各省的内容是有差异的,但大同小异,翻来覆去的就是这几种电路,作者把图纸和视频教学的内容搜集整理好了,资料来自网络,如有侵权请联系删除,作者尽量保留资料的原本样式,不会去除水印或者资料的标志,尽量帮助原作者宣传一下!
K2-1:电动机单向连续带点动运转线路的接线


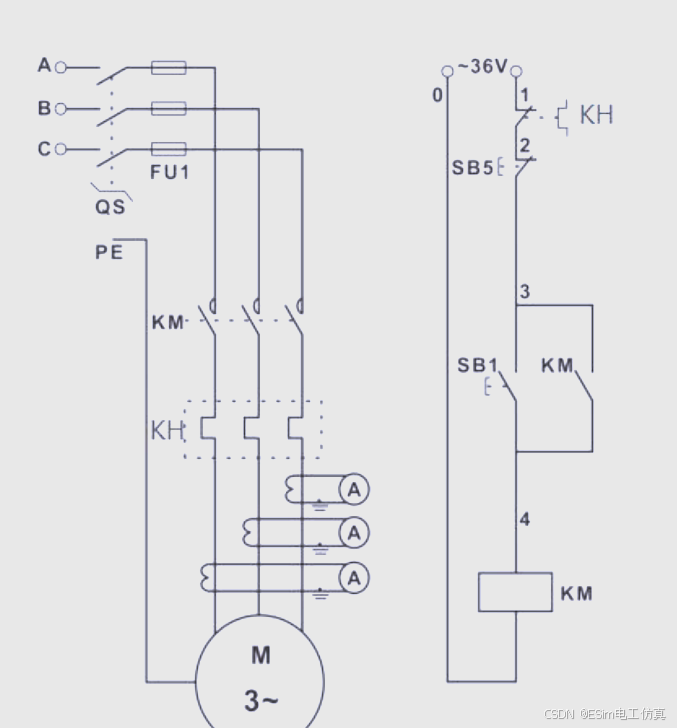
K2-2:三相异步电动机正反转线路接线(只接主线路),K2-3:三相异步电动机正反转线路接线(不接主线路)


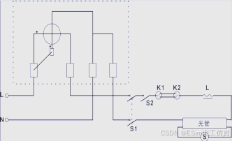
K2-4:单相电能表带照明灯的安装及接线–双控日光灯


K2-5:单相电能表带照明灯的安装及接线—单控灯加插座


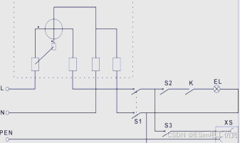
K2-6:带电流测量的电动机运行控制电路接线(只接一相电流测量回路)


K2-7:导线的连接
低压电工实操电路学习模块介绍
低压电工实操电路学习模块界面介绍
主界面
学习模块界面

低压电工实操电路学习模块如何使用?
在ESim电工仿真的主界面找到低压电工实操模块,然后点击学习进入,找到对应的实操电路模块,我们可以进行理论学习,如查看图纸,查看老师的教学视频,然后点击电路仿真进入实操练习,进入后我们可以先点击仿真,查看该电路的运行效果,然后再点击重置按钮清除电路上的导线连接,这样我们可以进行实操练习了!
如何实操练习
低压电工实操电路的控制回路和主回路的导通路径如何查看?
我们打开界面右侧的导线高亮功能,我就可以清楚的看到导线的导通路径,了解电路的工作过程!
导通路径演示
低压电工实操电路如何进行示教学习?
我们点击屏幕左下方的示教播放按钮,可以清楚的看到控件布局和导线连接的过程,这样我们可以跟着学习!
实操电路示教
ESim电工仿真下载地址
1.通过CSDN的资源链接获取
资源包括手机电工仿真和电脑版电工仿真
2.抖音用户通过搜索 ESim电工仿真 ,然后点击ESim电工仿真 作者的主页公开群,进群后查看群公告获取下载链接
仿真软件如何下载
资源包括手机电工仿真和电脑版电工仿真
3.微信用户通过搜索 ESim电工仿真 微信公众号,然后在ESim电工仿真微信公众号的主页点击对应的菜单获取软件下载链接
公众号下载
资源包括手机电工仿真和电脑版电工仿真
4.ESim电工仿真软件永久下载链接,手机电工仿真软件下载,电脑版电工仿真软件下载
更多推荐



所有评论(0)